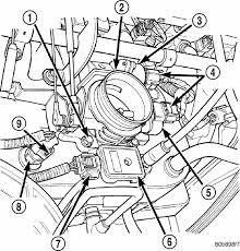
2004 Jeep Grand Cherokee Map Sensor Location - Map Sensor Jeep Cherokee Xj Grand Cherokee 4 0l 1995 1996 56028303 27 99 Picclick - Genuine mopar tpms sensor for 2004 jeep grand cherokee.. Which o2 sensor do ineed to replace… read more. This multimeter test will accurately tell you if the map sensor is bad or not. It is to dark to take a picture at. Description:you are purchasing a brand new brand new map sensor for the makes and models detailed below. The map sensor is on the drivers fender side of the the throttle body.

2004 grand cherokee automobile pdf manual download. Jeep grand cherokee 1994 jeep cherokee 2661784 kms. A broken jeep grand cherokee map sensor. Jeep grand cherokee replacement map sensor information. Hello i have a type of vehicle jeep grand cherokee 1999 model size engine l4.7 check the car by computer code number p0108 i hope to help me indeed sensor location.

P0108 Manifold Absolute Pressure Barometric Pressure Circuit High Input
P0108 Manifold Absolute Pressure Barometric Pressure Circuit High Input from www.obd-codes.com
The map sensor, on the 1999, 2000, and 2001 4.7l jeep grand cherokee, can be tested without a scan tool. Check this jeep information about your engines. To find the map that's right for your vehicle, select the appropriate model year from the menu above. You will be directed to a product page where you'll find installation instructions along with information on map coverage area and new. 97 jeep grand cherokee map sensor location. Map sensor location replacement jeep cherokee compass renegade 2.4. Replaces worn out sensor and is something you should change before it breaks or. Laredo 2wd, laredo 4wd, limited 2wd, limited 4wd, overland 2wd, overland 4wd, sport 2wd, sport 4wd.

Summary of contents for jeep 2004 grand cherokee.

Can you please tell me where the ambient air temperature sensor is located? In this tutorial, i'll show you how to test it using a multimeter. Nobody else possesses a history of enduring precision that stands up to a genuine protect your car's systems by purchasing only the most outstanding high quality parts and accessories. You will be directed to a product page where you'll find installation instructions along with information on map coverage area and new. A broken jeep grand cherokee map sensor. 97 jeep grand cherokee map sensor location. Fits the following 2004 jeep grand cherokee submodels: Hello i have a type of vehicle jeep grand cherokee 1999 model size engine l4.7 check the car by computer code number p0108 i hope to help me indeed sensor location. 99 jeep grand cherokee crank sensor location. To find the map that's right for your vehicle, select the appropriate model year from the menu above. Map sensor location replacement jeep cherokee compass renegade 2.4. For the jeep grand cherokee second generation 1999, 2000, 2001, 2002, 2003, 2004 model year. In the end with more help i decided that it was the tps which it turned out.

Jeep garage is where you can talk about all your favorite jeeps including the cherokee, liberty and grand cherokee. Hello i have a type of vehicle jeep grand cherokee 1999 model size engine l4.7 check the car by computer code number p0108 i hope to help me indeed sensor location. With all of the help i narrowed it down to a bad tps or bad map. I have 2004 jeep grand cherokee with a 4.7 v8 which has a code po158. Saludos, mi camioneta le cambie el sensor map, ya que este se abrió ( se partió ) causando una falla de combustión, pero al colocar el reemplazo la falla continua no empareja el motor.

Manifold Absolute Pressure Map Sensor For Jeep Grand Cherokee Wrangler 2 5 4 0 5 2 5 9 56029405 Ps10022 Ps1002211b1 Jm 00090 Sensor Sensor Sensor Pressuresensor Map Aliexpress
Manifold Absolute Pressure Map Sensor For Jeep Grand Cherokee Wrangler 2 5 4 0 5 2 5 9 56029405 Ps10022 Ps1002211b1 Jm 00090 Sensor Sensor Sensor Pressuresensor Map Aliexpress from ae01.alicdn.com
I just came from the auto parts store, and they hooked the car up to do a diagnostic. Can you please tell me where the ambient air temperature sensor is located? 2004 grand cherokee automobile pdf manual download. Laredo 2wd, laredo 4wd, limited 2wd, limited 4wd, overland 2wd, overland 4wd, sport 2wd, sport 4wd. 99 jeep grand cherokee crank sensor location. A sensor could be the reason why a 94 jeep grand cherokee laredo fails to start. It is to dark to take a picture at. Find your jeep grand cherokee navigation system map update.

To put into a calibration mode turn on the ignition and set the display to compass.

My map sensor is bad and i cant find it.pics would help and they are 90 dollars.ado i need it? Can you please tell me where the ambient air temperature sensor is located? I have a 2004 grand cherokee 4.7. Which o2 sensor do ineed to replace… read more. I recently bought a 2004 jeep cherokee special edition.it had a what appeared to me a used pump got the junkyard marker number.so its worth the chance i think. Replaces worn out sensor and is something you should change before it breaks or. Nobody else possesses a history of enduring precision that stands up to a genuine protect your car's systems by purchasing only the most outstanding high quality parts and accessories. Jeep cherokee engines camshaft position sensor sync. So i just in plug the sensor and remove what holds it and clean it with mass air flow cleaner? Location of map sensor on 2001 jeep grand cherokee 4.7l. 97 jeep grand cherokee map sensor location. You will be directed to a product page where you'll find installation instructions along with information on map coverage area and new. Check this jeep information about your engines.

I just came from the auto parts store, and they hooked the car up to do a diagnostic. Your vehicle is equipped with an electrical power distribution center located in the engine compartment near the battery. The map sensor is on the drivers fender side of the the throttle body. Find your jeep grand cherokee navigation system map update. So i just in plug the sensor and remove what holds it and clean it with mass air flow cleaner?

Amazon Com Map Manifold Absolute Pressure Sensor As217 56041018ab 216519 Compatible With Dodge Caravan Dakota Durango Grand Caravan Jeep Grand Cherokee Liberty Wrangler Chrysler Town Country Voyager Automotive
Amazon Com Map Manifold Absolute Pressure Sensor As217 56041018ab 216519 Compatible With Dodge Caravan Dakota Durango Grand Caravan Jeep Grand Cherokee Liberty Wrangler Chrysler Town Country Voyager Automotive from m.media-amazon.com
Saludos, mi camioneta le cambie el sensor map, ya que este se abrió ( se partió ) causando una falla de combustión, pero al colocar el reemplazo la falla continua no empareja el motor. This multimeter test will accurately tell you if the map sensor is bad or not. 10 year warranty ships fast high quality correct part. In the end with more help i decided that it was the tps which it turned out. To put into a calibration mode turn on the ignition and set the display to compass. Map sensor replacement location 2.4 multiair dodge dart chrysler 200 jeep cherokee renegade. I recently bought a 2004 jeep cherokee special edition.it had a what appeared to me a used pump got the junkyard marker number.so its worth the chance i think. Map sensor for dodge dakota van ram pickup viper jeep grand cherokee wrangler (fits:

Jeep grand cherokee replacement map sensor information.

Jeep grand cherokee 1994 jeep cherokee 2661784 kms. To put into a calibration mode turn on the ignition and set the display to compass. I recently had issues with my jeep and there were many suggestions along the way as to what it may be. Summary of contents for jeep 2004 grand cherokee. 2004 grand cherokee automobile pdf manual download. They said its my o2 sensor heater circuit malfunction, and o2 sensor circuit high voltage. With all of the help i narrowed it down to a bad tps or bad map. Genuine mopar tpms sensor for 2004 jeep grand cherokee. I just came from the auto parts store, and they hooked the car up to do a diagnostic. Om642 crank sensor location mercedes benz. A sensor could be the reason why a 94 jeep grand cherokee laredo fails to start. Saludos, mi camioneta le cambie el sensor map, ya que este se abrió ( se partió ) causando una falla de combustión, pero al colocar el reemplazo la falla continua no empareja el motor. Map sensor location replacement jeep cherokee compass renegade 2.4.

By