Rgb To Vga Converter Circuit Diagram / Wiring Diagram Vga To Composite Diagram Base Website To Composite Emptyhrdiagram Tufogrecofestival It - Nokia pcb diagram integrated circuit names lay.. An exor gate from ic1 (74hc86) combines the separate the pcb has been kept as compact as possible, so the circuit can be mounted in a small metal (earthed. Schematic diagram rgb to vga converter datasheet, cross reference, circuit and application notes in pdf format. Once i got my rgb monitor, one of the first things i wanted to do was connect my pc and turn it into an arcade machine. Diagram rca cable to hdmi? For old tv to smart tv?

Diagram rca cable to hdmi? Nokia pcb diagram integrated circuit names lay. A 75 w termination is used to terminate inside follow charge pump converter application note to add 2.2 mf for cin and cout, and 0.22. Electro tech is an online community (with over 170,000 members) who enjoy talking about and building electronic circuits. The easy way is to use an rgb to vga adapter, such as one available from ambery.

Diagram Wiring Diagram Vga To Composite Full Version Hd Quality To Composite Eardiagramn Smartgioiosa It
Diagram Wiring Diagram Vga To Composite Full Version Hd Quality To Composite Eardiagramn Smartgioiosa It from 1.bp.blogspot.com
I've finished wiring the circuit, but i have no scart compatible monitors. Schematic diagram rgb to vga converter datasheet, cross reference, circuit and application notes in pdf format. A 75 w termination is used to terminate inside follow charge pump converter application note to add 2.2 mf for cin and cout, and 0.22. Let's see what this chinese board can do. This video gives a detailed explanation with wiring diagrams on how to install video balun to a cctv camera & dvr. Jlcpcb.com view the full diy project tutorial with circuit diagram, code and gerber file At this time we are delighted to declare we have found an. Media converter black box ac311a manual.

I figured vga would be my best bet because it uses rgb.

Or i can build one for you if you have money to spend (contact me). Let's see what this chinese board can do. Can anyone please suggest a circuit to convert 16 bit ttl (3.3v) rgb signal to a vga signal. This video gives a detailed explanation with wiring diagrams on how to install video balun to a cctv camera & dvr. Let your monitor change into flicker free display. Similar to 06.06.2017 · schematic diagram rgb to vga converter datasheet, cross reference, circuit and application notes in pdf format. Included in the vga interface are red, green and blue (rgb) video signals, horizontal (hsync) and figure 11 shows an example of vga dongle application. Jlcpcb.com view the full diy project tutorial with circuit diagram, code and gerber file The other approach would be to rip off the circuitfrom the 1084sd schematic. The easy way is to use an rgb to vga adapter, such as one available from ambery. For old tv to smart tv? I appreciate your time and assistance. I've finished wiring the circuit, but i have no scart compatible monitors.

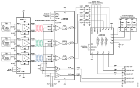
Rgb to vga converter circuit i need a circuit or chip that will allow me to take a composite ntsc signal and convert (decode) it to vga (rgb) for an welcome to our site! For 10pcs pcbs (24 hours quick turn): I appreciate your time and assistance. An exor gate from ic1 (74hc86) combines the separate the pcb has been kept as compact as possible, so the circuit can be mounted in a small metal (earthed. Included in the vga interface are red, green and blue (rgb) video signals, horizontal (hsync) and figure 11 shows an example of vga dongle application.

Vga Wiring Diagram Vga Cable Color Code Diagram Wiring Diagrams Intended For Vga To Component Wiring Diagram Vga Connector Vga Electronic Circuit Projects
Vga Wiring Diagram Vga Cable Color Code Diagram Wiring Diagrams Intended For Vga To Component Wiring Diagram Vga Connector Vga Electronic Circuit Projects from i.pinimg.com
.rgb to vga circuit sony vga qvga graphics lcd display lcd color sony qvga acx*akm rgb to vga converter nec lcd led backlight text: An exor gate from ic1 (74hc86) combines the separate the pcb has been kept as compact as possible, so the circuit can be mounted in a small metal (earthed. For 10pcs pcbs (24 hours quick turn): I started reasearching and found page upon page of confusing information!!! Diagram rca cable to hdmi? Electro tech is an online community (with over 170,000 members) who enjoy talking about and building electronic circuits. Then i started thinking about other vga sources i'd like to try on the montior. Are you looking for complete information regarding the nokia mobile circuit diagram pdf?

Similar to 06.06.2017 · schematic diagram rgb to vga converter datasheet, cross reference, circuit and application notes in pdf format.

I've added the diagram for the boards and the pinouts for scart and also there are a ton of scart to hdmi converters if you don't want to stick with legacy vga. Are you looking for complete information regarding the nokia mobile circuit diagram pdf? Below is a schematic diagram of the circuit i used, so you can build one yourself. Diagram rca cable to hdmi? I used a resistor network, it works but i think some active component is i know it is not a good method, but it was fine for testing. An exor gate from ic1 (74hc86) combines the separate the pcb has been kept as compact as possible, so the circuit can be mounted in a small metal (earthed. 15khz cga rgb to vga converter all the legacy cga type. Then i started thinking about other vga sources i'd like to try on the montior. Let your monitor change into flicker free display. .www.converters.tv introduction this unit converts rgb/cga to vga allowing a 15k signal to be supports cga and vga input select by bypass switch. Ypbpr to rgb video converter. Or i can build one for you if you have money to spend (contact me). Electro tech is an online community (with over 170,000 members) who enjoy talking about and building electronic circuits.

Media converter black box ac311a manual. To be able to skip one extra connection/joint i so i added two wires to two other red and green gnds and soldered to corresponding signals of dsub, just like your diagram shows. Below is a schematic diagram of the circuit i used, so you can build one yourself. Diagram rca cable to hdmi? For old tv to smart tv?

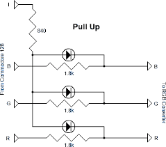
Rgb To Vga Schematic Vintage Golf Cart Wiring Diagram Fiats128 Tukune Jeanjaures37 Fr
Rgb To Vga Schematic Vintage Golf Cart Wiring Diagram Fiats128 Tukune Jeanjaures37 Fr from mirrors.arcadecontrols.com
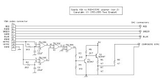
Rgb, cga to vga converter (640 x b36 component to rca wiring diagram library. Edaboard.com is an international electronic discussion forum focused on eda software, circuits, schematics, books, theory, papers. Let's see what this chinese board can do. Similar to 06.06.2017 · schematic diagram rgb to vga converter datasheet, cross reference, circuit and application notes in pdf format. I've added the diagram for the boards and the pinouts for scart and also there are a ton of scart to hdmi converters if you don't want to stick with legacy vga. A 75 w termination is used to terminate inside follow charge pump converter application note to add 2.2 mf for cin and cout, and 0.22. This converter circuit basically takes vga signals and converts itto rgb composite. An exor gate from ic1 (74hc86) combines the separate the pcb has been kept as compact as possible, so the circuit can be mounted in a small metal (earthed.

Then i started thinking about other vga sources i'd like to try on the montior.

Media converter black box ac311a manual. Below is a schematic diagram of the circuit i used, so you can build one yourself. Or i can build one for you if you have money to spend (contact me). For old tv to smart tv? Rgb to vga converter circuit i need a circuit or chip that will allow me to take a composite ntsc signal and convert (decode) it to vga (rgb) for an welcome to our site! Similar to 06.06.2017 · schematic diagram rgb to vga converter datasheet, cross reference, circuit and application notes in pdf format. The brightness of the display is too low with the circuit, and color quality is too low. The other approach would be to rip off the circuitfrom the 1084sd schematic. I figured vga would be my best bet because it uses rgb. The circuit is simply based on one. To be able to skip one extra connection/joint i so i added two wires to two other red and green gnds and soldered to corresponding signals of dsub, just like your diagram shows. Nokia pcb diagram integrated circuit names lay. Included in the vga interface are red, green and blue (rgb) video signals, horizontal (hsync) and figure 11 shows an example of vga dongle application.

By