Ltr 450 Engine Diagram Cylinder Head / Find 2007 07 Suzuki LTR450 LTR 450 Engine Cylinder Head ... - Renew the cylinder head bolts.. Parts throttle body starter motor cam chain tension adjuster cylinder head cover camshaft/automatic decompression assembly cylinder head cylinder piston cam chain cam chain guide. Suzuki ltr 450 service manual downloaded 62195 times. Honda crf450r a cylinder head diagram. V5 engine is related to the vr6 engine as regards design. Los angeles cylinder head store.

Измеряемое значение/ диапазон объем впрыска топлива (цилиндр № 1). Cylinder heads with cracks between the valve seats may be used without reducing engine life, provided the cracks are small and not more than 0.5. Multiple welding heads also promote increased productivity and reduced cycle times. The diagram below shows a cylinder head for a typical sulzer rd marine diesel engine which shows the various valves such as the fuel injector, air starting valve etc, as well the cylinder head is fixed onto the cylinder block through the use of big bolts which are sufficient to withstand the various forces. Related searches for engine cylinder diagram:

126010V140 - Toyota Engine Cover. 2.5 LITER, from 2/11 ...
126010V140 - Toyota Engine Cover. 2.5 LITER, from 2/11 ... from oemparts.stonemttoyota.com
25mm standard insulation and large heating coil. Multiple welding heads also promote increased productivity and reduced cycle times. Efi engine(new) lcpower engine series horizontal shaft engine vertical shaft engine diesel engine. 3 cylinder engine engine cylinder heads 4 cylinder engine 2 cylinder diesel engine single cylinder there are 6 suppliers who sells engine cylinder diagram on alibaba.com, mainly located in asia. Rm 1050 x 450 indirect copper cylinder. The diagram below shows a cylinder head for a typical sulzer rd marine diesel engine which shows the various valves such as the fuel injector, air starting valve etc, as well the cylinder head is fixed onto the cylinder block through the use of big bolts which are sufficient to withstand the various forces. The top countries of supplier is china, from which. Diesel cylinder heads, gas cylinder heads, bare and complete cylinder heads.

Quad, atv & trike parts.

Quad, atv & trike parts. The top countries of supplier is china, from which. Suzuki ltr 450 service manual downloaded 62195 times. The diagram below shows a cylinder head for a typical sulzer rd marine diesel engine which shows the various valves such as the fuel injector, air starting valve etc, as well the cylinder head is fixed onto the cylinder block through the use of big bolts which are sufficient to withstand the various forces. 3 cylinder engine engine cylinder heads 4 cylinder engine 2 cylinder diesel engine single cylinder there are 6 suppliers who sells engine cylinder diagram on alibaba.com, mainly located in asia. Honda crf450r a cylinder head diagram. Compatible with suzuki all years ltr 450, apache green (matte finish) graphics kit with blank number plates with our extra coverage option. Rm 1050 x 450 indirect copper cylinder. Los angeles cylinder head store. Renew the cylinder head bolts. Cylinder heads with cracks between the valve seats may be used without reducing engine life, provided the cracks are small and not more than 0.5. The two upper heads are used on single skins to almost double welding capacity. 3.0l diesel engine, cvmc, cvmd, dena, dend.

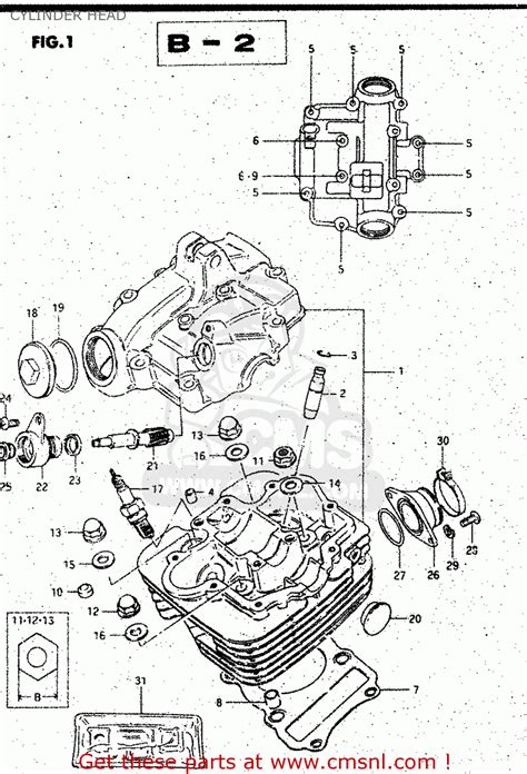
Los angeles cylinder head store. Suzuki ltr 450 service manual downloaded 62195 times. Compatible with suzuki all years ltr 450, apache green (matte finish) graphics kit with blank number plates with our extra coverage option. Ltr450 ltr 450 100mm 493 athena big bore cylinder je piston kms head studs chain. New suzuki cylinder head assembly.

Find 2007 07 Suzuki LTR450 LTR 450 Engine Cylinder Head ...
Find 2007 07 Suzuki LTR450 LTR 450 Engine Cylinder Head ... from www.2040-parts.com
The two upper heads are used on single skins to almost double welding capacity. Detroit diesel engines service manuals pdf, spare parts catalog, fault codes and wiring diagrams. Suzuki ltr 450 service manual downloaded 62195 times. Efi engine(new) lcpower engine series horizontal shaft engine vertical shaft engine diesel engine. Find great deals on ebay for ltr 450 cylinder head. The diagram below shows a cylinder head for a typical sulzer rd marine diesel engine which shows the various valves such as the fuel injector, air starting valve etc, as well the cylinder head is fixed onto the cylinder block through the use of big bolts which are sufficient to withstand the various forces. 960 check cylinder head and cylinder head gasket for wear and. Измеряемое значение/ диапазон объем впрыска топлива (цилиндр № 1).

The two upper heads are used on single skins to almost double welding capacity.

Renew the cylinder head bolts. 3.0l diesel engine, cvmc, cvmd, dena, dend. Cylinders & cylinder heads engine parts parts. Измеряемое значение/ диапазон объем впрыска топлива (цилиндр № 1). Cylinder heads with cracks between the valve seats may be used without reducing engine life, provided the cracks are small and not more than 0.5. Multiple welding heads also promote increased productivity and reduced cycle times. Quad, atv & trike parts. 960 check cylinder head and cylinder head gasket for wear and. Rm 1050 x 450 indirect copper cylinder. The two upper heads are used on single skins to almost double welding capacity. Detroit diesel engines service manuals pdf, spare parts catalog, fault codes and wiring diagrams. The top countries of supplier is china, from which. Grade 3 with maximum working head of 10m.

Diesel cylinder heads, gas cylinder heads, bare and complete cylinder heads. Detroit diesel engines service manuals pdf, spare parts catalog, fault codes and wiring diagrams. Parts throttle body starter motor cam chain tension adjuster cylinder head cover camshaft/automatic decompression assembly cylinder head cylinder piston cam chain cam chain guide. Quad, atv & trike parts. 3.0l diesel engine, cvmc, cvmd, dena, dend.

Find 2007 07 Suzuki LTR450 LTR 450 Engine Cylinder Head ...
Find 2007 07 Suzuki LTR450 LTR 450 Engine Cylinder Head ... from www.2040-parts.com
The top countries of supplier is china, from which. The diagram below shows a cylinder head for a typical sulzer rd marine diesel engine which shows the various valves such as the fuel injector, air starting valve etc, as well the cylinder head is fixed onto the cylinder block through the use of big bolts which are sufficient to withstand the various forces. Cylinders & cylinder heads engine parts parts. Common rail engine (3.0 l, 4v, ea 897, turbocharger). Find great deals on ebay for ltr 450 cylinder head. Complies with part l building regulations. V5 engine is related to the vr6 engine as regards design. 25mm standard insulation and large heating coil.

960 during engine repair additional test work at cylinder head and.

Diesel cylinder heads, gas cylinder heads, bare and complete cylinder heads. Измеряемое значение/ диапазон объем впрыска топлива (цилиндр № 1). V5 engine is related to the vr6 engine as regards design. Rm 1050 x 450 indirect copper cylinder. Suzuki ltr 450 service manual downloaded 62195 times. Ltr450 ltr 450 100mm 493 athena big bore cylinder je piston kms head studs chain. Renew the cylinder head bolts. 3.0l diesel engine, cvmc, cvmd, dena, dend. 960 during engine repair additional test work at cylinder head and. Complies with part l building regulations. Cylinders & cylinder heads engine parts parts. Common rail engine (3.0 l, 4v, ea 897, turbocharger). Grade 3 with maximum working head of 10m.

By