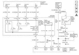
2006 Jeep Liberty Transmission Wiring Diagram / Jeep No Start Ricks Free Auto Repair Advice Ricks Free Auto Repair Advice Automotive Repair Tips And How To / 2006 jeep liberty 4dr suv.. I need timing marks for jeep liberty 2003 i need all the camshaft timing marks and the primary and secondary chains well illustrated with diagrams is there a wiring diagram for a 2005 jeep liberty 3.7 liter infinity stereo system available. Jeep liberty workshop, repair and owners manuals for all years and models. These liberty manuals have been provided by our users, so we can't guarantee completeness. 2003 jeep kj wiring diagram. No sound need wiring color code of.

The 2005, 2006 renegade and 2005 rocky mountain edition liberties received an exclusive flat hood and taller grille. Sound seems to go away slowly. Do i ignore the manufacturers owners manual and do what the dealerships. Multifunction switch harness repair kit; Post your comments on any jeep liberty transmission issues here.

99 Jeep Grand Cherokee Tail Light Wiring Diagram Wiring Diagram Solid Connect B Solid Connect B Atlanticsport It
99 Jeep Grand Cherokee Tail Light Wiring Diagram Wiring Diagram Solid Connect B Solid Connect B Atlanticsport It from ww2.justanswer.com
The liberty also marked a few firsts for jeep. 2006 service manual is about 140mb in size but will have everything you need to. Pdc fuel pump/ac clutch, starter relay/engine controller/transmission controller (diesel only). Have called several jeep dealers and no one knows if my manufacturer trans is a 3 wire or a 4 wire. Free pdf download for thousands of cars and trucks. General information maintenance engines exhaust system fuel system automatic transmission manual transmission,clutch and. Jeep automatic transmission just how much fluid does it hold. How to install an aftermarket radio to work with factory amp for the interior speakers in a 2006 jeep liberty?

Automobile jeep 2006 wrangler owner's manual.

Find all of the jeep transmission parts you need for your vehicle venture gear nv3550 jeep transmission parts at morris 4x4. Have called several jeep dealers and no one knows if my manufacturer trans is a 3 wire or a 4 wire. These liberty manuals have been provided by our users, so we can't guarantee completeness. Jeep liberty service and repair manuals. I need timing marks for jeep liberty 2003 i need all the camshaft timing marks and the primary and secondary chains well illustrated with diagrams is there a wiring diagram for a 2005 jeep liberty 3.7 liter infinity stereo system available. I need the wiring diagrams for jeep liberty 3,7? Jeep liberty service manuals, repair manual, parts catalog, wiring diagrams, owners manuals free download. Click to zoom in or use the links below to download a printable word document or a printable pdf document. Jeep liberty transmission data service manual pdf jeep liberty wiring diagrams Do i ignore the manufacturers owners manual and do what the dealerships. Download the relevant year service manual here.includes the wiring diagrams. Free pdf download for thousands of cars and trucks. The transmission is dead and needs to be replaced.

Jeep liberty transmission data service manual pdf jeep liberty wiring diagrams It makes something i call a spinning noise between 25 and 35 mph in the rear area of the car. Why would the maufacturers write that if it is not true? Sound seems to go away slowly. Free pdf download for thousands of cars and trucks.

2006 Jeep Liberty Engine Diagram Wiring Diagram Options Hard Desk Hard Desk Studiopyxis It
2006 Jeep Liberty Engine Diagram Wiring Diagram Options Hard Desk Hard Desk Studiopyxis It from wiringall.com
Post your comments on any jeep liberty transmission issues here. 2003 jeep kj wiring diagram. These liberty manuals have been provided by our users, so we can't guarantee completeness. Jeep liberty workshop, repair and owners manuals for all years and models. In 2006, esp and vlp were added and abs became standard. 2006 jeep liberty 4dr suv. I ran into this problem after the video was already made. Clutch interlock w/ manual transmission, oil pressure switch gas or diesel, radiator fan motor, a/c clutch, cabin heater.

In 2006, esp and vlp were added and abs became standard.

Click to zoom in or use the links below to download a printable word document or a printable pdf document. 2006 jeep liberty 4dr suv. The transmission is dead and needs to be replaced. Jeep liberty (cherokee) repair manual 2007 2008 2009 2010 download link: Use only atf+4 full synthetic transmission fluid. 2003 jeep kj wiring diagram. 2006 service manual is about 140mb in size but will have everything you need to. General information maintenance engines exhaust system fuel system automatic transmission manual transmission,clutch and. Pdc fuel pump/ac clutch, starter relay/engine controller/transmission controller (diesel only). Related manuals for jeep 2006 liberty. Post your comments on any jeep liberty transmission issues here. Wire up your tow vehicle and trailer with whatever it takes to get your trailer lights on, the electric brakes slowing down, and the trailer battery charging. Fluid was dark it needed changing.

We have the following 2006 jeep liberty manuals available for free pdf download. Jeep automatic transmission just how much fluid does it hold. Wire up your tow vehicle and trailer with whatever it takes to get your trailer lights on, the electric brakes slowing down, and the trailer battery charging. No sound need wiring color code of. Post your comments on any jeep liberty transmission issues here.

Diagram In Pictures Database 02 Jeep Liberty Wiring Diagram Just Download Or Read Wiring Diagram Online Casalamm Edu Mx
Diagram In Pictures Database 02 Jeep Liberty Wiring Diagram Just Download Or Read Wiring Diagram Online Casalamm Edu Mx from ww2.justanswer.com
2003 jeep kj wiring diagram. Jeep liberty workshop, repair and owners manuals for all years and models. It makes something i call a spinning noise between 25 and 35 mph in the rear area of the car. I took my liberty to a jeep dealership and they told me because my tran. Download the relevant year service manual here.includes the wiring diagrams. Do i ignore the manufacturers owners manual and do what the dealerships. Click to zoom in or use the links below to download a printable word document or a printable pdf document. How to install an aftermarket radio to work with factory amp for the interior speakers in a 2006 jeep liberty?

Related manuals for jeep 2006 liberty.

Download the relevant year service manual here.includes the wiring diagrams. Includes connector, wiring, terminals, shrink tubing and clips. 2003 jeep kj wiring diagram. Repair manual, operation guide and maintenance manual for jeep liberty vehicles equipped with gasoline engines of 2.4 l., 3.7 l., as well as with 2.8l diesel engines. (video, 5:30) how to service the 3.7l jeep liberty automatic i have a new 2006 liberty. Post your comments on any jeep liberty transmission issues here. In 2006, esp and vlp were added and abs became standard. Sport, latitude, renegade, and limited and two special models: Why would the maufacturers write that if it is not true? Have called several jeep dealers and no one knows if my manufacturer trans is a 3 wire or a 4 wire. Jeep liberty service and repair manuals. Tighten pan to transmission hand tight until the pan closes flat against the body. If you want to install a car stereo, you'll love our jeep stereo wire guide.

By