Home › Unlabelled ›
1998 Dodge Dakota Ignition Wiring Diagram - I Have A 96 Dodge That Needed A New Engine Harness And I Could Only Find A 98 One And Noticed The Plugs That Go Inot : A wide variety of dodge ignition wiring options are available to you, such as engine, car fitment ··· product name :
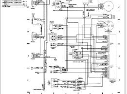
1998 Dodge Dakota Ignition Wiring Diagram - I Have A 96 Dodge That Needed A New Engine Harness And I Could Only Find A 98 One And Noticed The Plugs That Go Inot : A wide variety of dodge ignition wiring options are available to you, such as engine, car fitment ··· product name :. The following document is a service manual of dodge dakota 2000 including the wiring diagrams information contained in this service manual has been. Use of the dodge wiring diagram is at your own risk. Ignition control module is heat vulnerable part of your dodge dakota ignition system. 1997 dodge dakota wire 12v constant wire starter wiring information: Red/white car radio ground wire:
Try going to your local dodge dealer, go to the parts department and ask like a kind young gentleman if you can have a cpy of the diagram, chances are, they'll run and find the books for you so you can either see or make a copy of. This typical circuit diagram includes the following circuits: Got someone else to review wiring diagram.hey, isn't there supposed to be a wire here? and that is when we traced the wire from the ignition down to the hi, we have a 2001 dodge dakota sport. › see all products in tools & equipment. On the 2.5l, 3.9l, and 5.9l engines use the black/grey wire at the ignition coil for the tach wire.
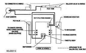
1998 Dodge Neon Wiring Diagram Wiring Diagrams Progress Metal A Progress Metal A Alcuoredeldiabete It from chew.ln2cooling.com The following ignition system wiring diagrams will further help your ignition system diagnostic ignition coil. A wide variety of dodge ignition wiring options are available to you, such as engine, car fitment ··· product name : Other causes of a misfire. The following document is a service manual of dodge dakota 2000 including the wiring diagrams information contained in this service manual has been. One of the most common failures on these dodge vehicles is a bad crank sensor causing a no start condition. If it's overheated, you need to find a replacement. If your dodge dakota's 3.9l v6 engine is misfiring, take a look at the suggestions found here: Please select your desired model below.
If it's overheated, you need to find a replacement.
Please let me know if you need. Since the crank sensor is at the heart of everything that is. Always verify all wires, wire colors and diagrams before applying any information found here to your i am looking for a remote starter wiring diagram for a 1998 dodge dakota sport with a 3.9l v6. The factory wiring diagram will need to be traced for further testing. Plastic hoses or wire harness covers will melt or. Bad ignition coil high tension wire (this is the spark plug wire that connects the ignition coil to the distributor cap). One of the most common failures on these dodge vehicles is a bad crank sensor causing a no start condition. 1994 dodge dakota car stereo wiring diagram car radio battery constant 12v+ wire: › see all products in tools & equipment. An example of a ignition system last night we pressure washed the engine on 2001 dodge dakota 4.7 v8, and. Alibaba.com offers 365 dodge ignition wiring products. The lock cylinder is the mechanical part of. Guide to rewiring internal uk phone wiring.
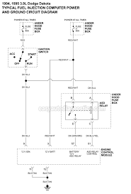
If your dodge dakota's 3.9l v6 engine is misfiring, take a look at the suggestions found here: This wire looked exactly like the wire that comes out of the pick up coil. This simplified ignition system wiring diagram applies to the 1997, 1998, and 1999 3.9l v6 dodge dakota. Third ignition wire does not exist on all years and models wiring information: Red/blue car radio accessory switched 12v+ wire:
0cf 2000 Dodge Dakota Ignition Wiring Wiring Library from repairguide.autozone.com Here is a quick video guide on how to remove and replace an ignition lock cylinder on a 1998 dodge dakota sport. This simplified ignition system wiring diagram applies to the 1997, 1998, and 1999 3.9l v6 dodge dakota. 1997 dodge dakota wire 12v constant wire starter wiring information: 1994 dodge dakota car stereo wiring diagram car radio battery constant 12v+ wire: We have 18 dodge vehicles diagrams, schematics or service manuals to choose from, all free to download! Red/blue car radio accessory switched 12v+ wire: We have replaced the resistor 3x's, and then once that. 1998 dodge durango wire 12v constant wire starter wire ignition wire accessory wire second.
1998 chevy blazer radio wiring diagram.
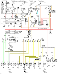
Third ignition wire does not exist on all years and models wiring information: Vehicle line dodge sport dodge dakota 4x4 dodge dakota 4x2. Here is the wiring diagrams for the engine and ignition system with a guide to help you run some tests. Carid offers the quality reliable ignition control modules at friendly prices. 1998 dodge durango wire 12v constant wire starter wire ignition wire accessory wire second. Please let me know if you need. Needed to know what the wire is that comes out of the bottom the distributor cap and where it goes to. 1994 dodge dakota car stereo wiring diagram car radio battery constant 12v+ wire: This wire looked exactly like the wire that comes out of the pick up coil. The lock cylinder is the mechanical part of. Here is a quick video guide on how to remove and replace an ignition lock cylinder on a 1998 dodge dakota sport. If your dodge dakota's 3.9l v6 engine is misfiring, take a look at the suggestions found here: This typical circuit diagram includes the following circuits:
Please select your desired model below. As in the diagram below, most ignition coils share the same fuse and/or relay that feeds the power supply. Carid offers the quality reliable ignition control modules at friendly prices. Chassis car radio illumination wire: Alibaba.com offers 365 dodge ignition wiring products.
Wiring Diagram 1998 Dodge Dakota 17627 Julialik Es from tse4.mm.bing.net › see all products in tools & equipment. If anyone as one it would save me a ton a work. Here is a quick video guide on how to remove and replace an ignition lock cylinder on a 1998 dodge dakota sport. Needed to know what the wire is that comes out of the bottom the distributor cap and where it goes to. Auto service repair manuals and wiring diagrams. Try going to your local dodge dealer, go to the parts department and ask like a kind young gentleman if you can have a cpy of the diagram, chances are, they'll run and find the books for you so you can either see or make a copy of. Red/white car radio ground wire: Vehicle line dodge sport dodge dakota 4x4 dodge dakota 4x2.
On the 2.5l, 3.9l, and 5.9l engines use the black/grey wire at the ignition coil for the tach wire.
Red/blue car radio accessory switched 12v+ wire: On the 4.7l engine use the wire that is not a green/orange at the coil. Vehicle line dodge sport dodge dakota 4x4 dodge dakota 4x2. I need the correct wiring diagram for a 1998 dodge dakota sport. Use of the dodge wiring diagram is at your own risk. The 1998 dodge ram van radio wiring diagram can be obtained from most dodge dealerships. This wire looked exactly like the wire that comes out of the pick up coil. Always verify all wires, wire colors and diagrams before applying any information found here to your i am looking for a remote starter wiring diagram for a 1998 dodge dakota sport with a 3.9l v6. Please select your desired model below. Ignition cable spark plug wire set for dodge caravan dakota neon chrysler town&country new yorker cirrus spw07155aa. 1997 dodge dakota wire 12v constant wire starter wiring information: This typical circuit diagram includes the following circuits: 800 x 600 jpeg 77 кб.